Products

Products

Art. TS 2592
Quick Inquiry
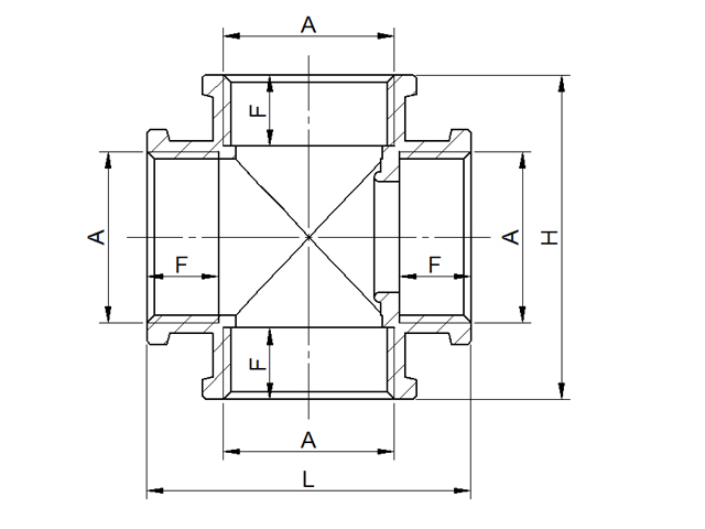
Brass 4-Way Connector Fittings
Surface treatment: Nature brass color
Nominal pressure: 1.6 MPa
Working temperature: -10℃≤t≤120℃
Suitable for: Water, non-causticity liquid
Thread: ISO228

Detailed specifications
Size F Length Height Qty/Ctn
3/4" 11 50 50 180
1" 15 64 64 100
1-1/4" 18 84 84 48
Quick Inquiry
FAQ
  • Can you accept OEM/ODM?

    Yes, Tosval is a professional factory in the manufacturing field of brass valves more than 30 years, we can design and produce brass valves with your own brand.

  • How should I contact you with the fastest way?

    Send Email or leave your message.

  • When can I receive the quotation or reply?
    We usually reply within 24 hours. 
  • Can I get free samples?
    We provide free existing samples by courier, transport fee should be paid by you.
  • How long is your delivery time? What is the shipping port?
    It usually takes 20 to 30 days, which generally depends on the order quantity. We ship the goods via Ningbo or Shanghai port.
Related products