Products

Products

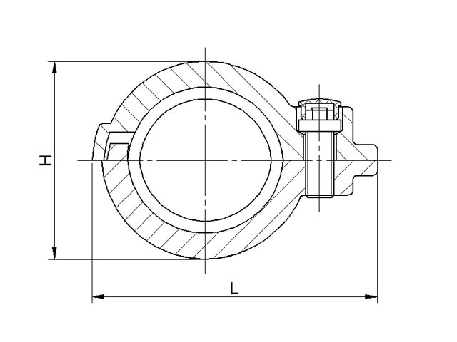
Art. TS AFNC
Quick Inquiry
BRASS SECURITY COUPLINGS
Forging Brass Security Couplings For Water Meter
Suitable to control pipe services
Threaded ends according to ANSI/ASME B1.20.1
Blue spray paint surface treatment
Working temperature: -10℃≤t≤100℃

Detailed specifications
Size Length Height Qty/Ctn
G3/4" 60 42 160
G1" 72.5 53 96
Quick Inquiry
FAQ
  • Can you accept OEM/ODM?

    Yes, Tosval is a professional factory in the manufacturing field of brass valves more than 30 years, we can design and produce brass valves with your own brand.

  • How should I contact you with the fastest way?

    Send Email or leave your message.

  • When can I receive the quotation or reply?
    We usually reply within 24 hours. 
  • Can I get free samples?
    We provide free existing samples by courier, transport fee should be paid by you.
  • How long is your delivery time? What is the shipping port?
    It usually takes 20 to 30 days, which generally depends on the order quantity. We ship the goods via Ningbo or Shanghai port.
Related products